URAI Roots Blowers Model 615 URAI
Flow Range: to 1583 CFM
Max Δ Pressure: 7 psi
Max Δ Vacuum: 12″ Hg
Max RPM: 2350
Min RPM: 636
Max ΔT: 130˚F
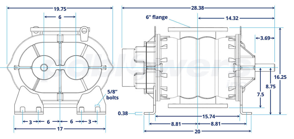
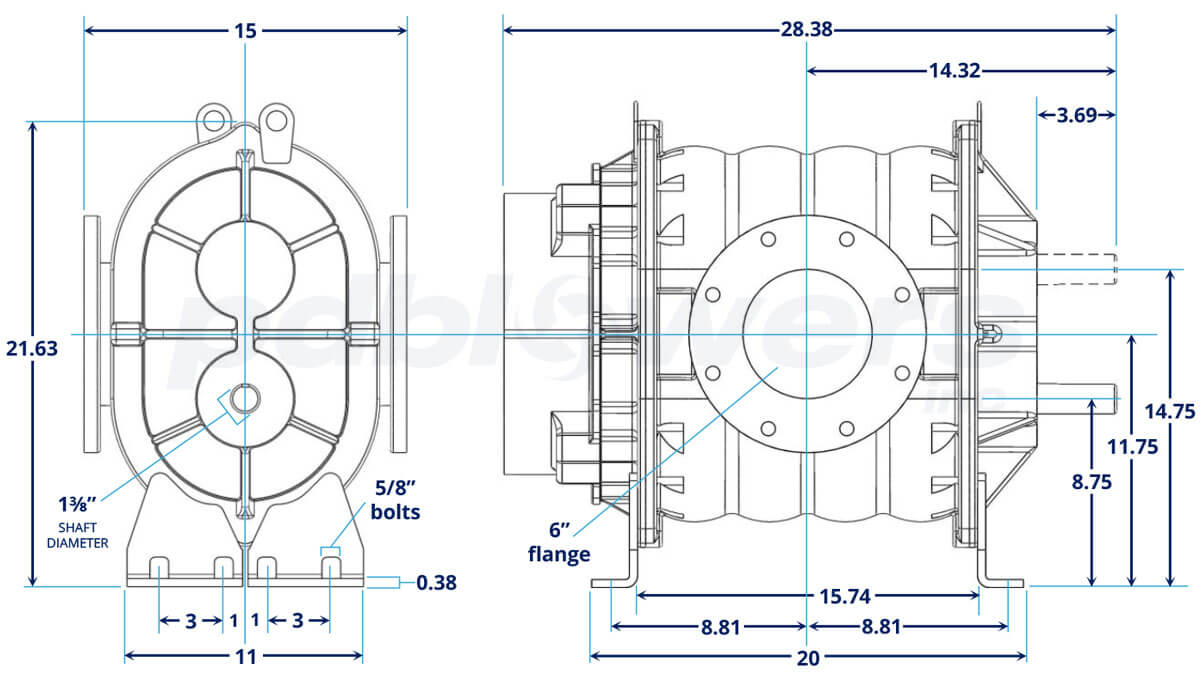
Connection: 6″ Flange
Shaft Dia.: 1.375″
Drive End Lubrication: Grease
Gear End Lubrication: Oil
Required Oil for Gear End Horizontal Unit: 52.1 ounces
Required Oil for Gear End Vertical Unit: 28.3 ounces
Unit Weight: 425 pounds (193.2 kg)
Shipping Skid Size (LxWxH): 54″x29″x31″ (1372mmx737mmx787mm)
Shipping Container: Wood skid, open, blower lagged to skid
Common carrier is recommended
Roots Bill of Material (BOM) Number: 65118020


Lubrication Recommendations
Proper lubrication is the key to long life for your blower. Roots recommends synthetic oil and grease for all new units. The oil viscosity should be selected based on the ambient conditions where the blower will be operating. Click here for detailed information about the type of lubricants your blower needs.
Oil Change Intervals
New blowers ship dry and will need oil added prior to start up. The first oil change should be performed after the initial 100 hours of operation. After this, the oil change frequency is determined by the oil temperature. Normal expectancy of synthetic blower oil is about 4000 to 8000 hours with an oil temperature of about 180°F (82°C). As the oil temperature increases by increments of 15 to 18°F (8°C to 10°C), the life is reduced by half. Click here for more information about estimating oil temperature and lubricant lifespan.
Greasing Intervals
For blower models that utilize grease on the drive end, grease should be topped off as needed on a regular basis. The table below shows recommended greasing intervals based on operating hours.
615 URAI Roots Blowers
$11,343.00
- Meets Build America Buy America Act requirements
| Shipping Weight: | 525 lbs |
|---|---|
| Shipping Dimensions: | 54 × 32 × 32 in |
| Max Flow | 1583 |
| Max Pressure | 7 psi |
| Max Vacuum | 12" Hg |
| Max Speed | 2350 RPM |
| Manufacturer | Roots |






